AR500
Доступен для скачивания
краткий каталог продукции:
Электропривод AR500 устанавливается на шаровые краны AR500-2, AR500-2S, AR500-2M и AR500-3 с целью управления потоком рабочей среды в трубопроводе
Особенности:
Версия: 2024-04-23-ШАР
Особенности:
- Для установки на краны:
– AR500-2, AR500-2M – двухходовые из латуни;
– AR500-2S – двухходовые из нерж. стали;
– AR500-3 – трехходовые из латуни - Схема управления с переключателем. В качестве переключателя К можно использовать переключатели на 3 положения SD16-V-22IR, SD16-V-22R3S, SD16-V-22K, AR-XB2-BD, AR-XB2-BJ, AR-LA800E-BLSM
- Простота монтажа
- Долгий срок службы
| Параметр | Значение |
| Время открытия/закрытия | 15 с |
| Угол поворота | 90° (вращение в обоих направлениях) |
| Крутящий момент | 5 Н∙м |
| Степень пылевлагозащиты | IP62 |
| Питание, ток, мощность | ~220 В, 27 мА, 6 ВA |
| Схема подключения | 3-проводная с переключением |
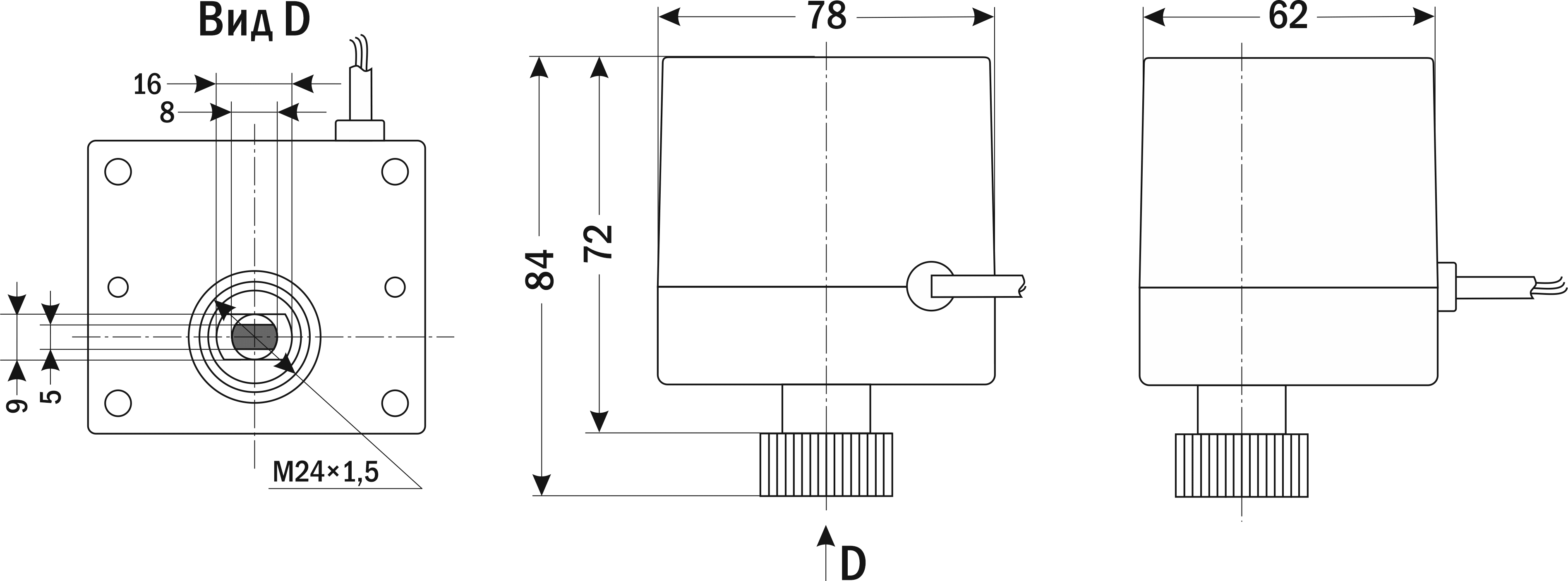
| Присоединение привода к крану | М24×1,5 |
| Длина кабеля | 370 мм |
| Габаритные размеры | 84×78×62 мм |
| Вес | 331 г |
| Габаритные размеры
|
![]() |
Версия: 2024-04-23-ШАР
| Документ | Дата обновления |
| Паспорт на AR500 | 25.04.2024 |
