КР-Б4
Доступен для скачивания
краткий каталог продукции:
Дисковый поворотный затвор КР-Б4 предназначен для управления потоком рабочей среды в трубопроводе. Дисковые поворотные затворы широко применяются в системах
тепло- и водоснабжения, вентиляции и кондиционирования, а также в химической, фармацевтической, металлургической, нефтегазовой, пищевой и других отраслях промышленности.
Особенности:
тепло- и водоснабжения, вентиляции и кондиционирования, а также в химической, фармацевтической, металлургической, нефтегазовой, пищевой и других отраслях промышленности.
- Возможность использования для перекрытия потока рабочей среды большой вязкости
- Высокая герметичность, если в системе не присутствует избыточное давление
- Ручное управление затвором
- Простая и надежная конструкция
- Удобство монтажа
- Долгий срок службы
- Затвор может быть установлен между фланцами стандарта DIN
Для защиты прибора от попадания инородных частиц необходима установка фильтра механической очистки перед входным отверстием крана
Для герметизации резьбовых/фланцевых металлических соединений рекомендуется использование анаэробных герметиков
Для герметизации резьбовых/фланцевых металлических соединений рекомендуется использование анаэробных герметиков
Следует учитывать:
Технические характеристики:
- Затвор не применяется для сред с крупнодисперсными и кристаллизующимися включениями
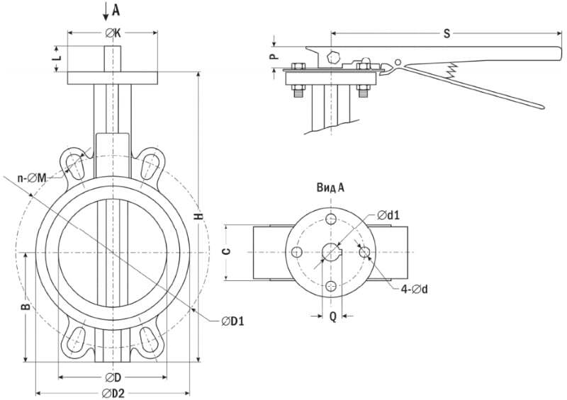
Принцип действия: Конструкция дискового поворотного затвора КР-Б4 включает в себя минимум сложных элементов: корпус с проходным отверстием, в котором установлено съемное уплотнительное седло с закрепленным в нем поворачивающимся плоским диском. Приведение диска в действие осуществляется с помощью рукоятки, расположенной вверху корпуса перпендикулярно проходному отверстию. Рукоятка оснащена специальными фиксирующими бороздками для того, чтобы частичное открытие или закрытие затвора было более удобно реализовано. В самом корпусе затвора не имеется никаких полостей, поэтому его засорение сведено к минимуму. В силу такой конструкции при повороте диск всегда остается в центре потока рабочей среды, проходящей сквозь затвор, поэтому создается определенный коэффициент гидравлического сопротивления.
| Параметр
| Значение
|
| Рабочая среда | Вода, горячая вода, воздух, масла, жидкости, не агрессивные к материалам затвора, спирт, а также слабые кислоты и щелочи с концентрацией < 40% |
| Материал | Корпуса затвора: чугун
Диска: чугун с хромированным покрытием Уплотнения: EPDM |
| Температура рабочей среды | −30...+120°С |
| Рабочее давление | 0,0...1,6 МПа |
| Диаметр условного прохода | 150...300 мм |
| Присоединение крана
| Межфланцевое W6"...W12" |
Модификации:
| Модель
| Ду, мм
| Kv, м³/ч
| Присоединение
| Вес, г
|
| КР-Б4-150 WHE | 150
| 1690
| W6"
| 5800
|
| КР-Б4-200 WHE | 200
| 2850
| W8"
| 11 020
|
| КР-Б4-250 WHE | 250
| 4390
| W10"
| 17 000
|
| КР-Б4-300 WHE | 300
| 6490
| W12"
| 23 000
|
| Габаритные размеры
|
|
| Размеры, мм | КР-Б4, Ду, мм
| ||||||||
| -150
| -200
| -250
| -300
| ||||||
| B | 134
| 170
| 205
| 240
| |||||
| C | 59 | 60 | 72 | 85 | |||||
| ∅ D | 155 | 205 | 257 | 305 | |||||
| ∅ D1
| 235
| 285
| 355
| 415
| |||||
| ∅ D2
| 208
| 262
| 325
| 370
| |||||
| 4−∅ d
| 11
| 13
| 12
| 13
| |||||
| ∅ d1
| 19
| 21,7
| 28,4
| 31,2
| |||||
| H
| 343
| 434
| 473
| 555
| |||||
| ∅ K
| 88
| 115
| 115
| 150
| |||||
| L
| 30
| 36
| 38
| 36
| |||||
| n-∅M
| 4-23
| 4-31
| 4-24
| 4-28
| |||||
| P
| 24
| 30
| 30
| 30
| |||||
| Q
| 20
| 23
| 31
| 35
| |||||
| S
| 261
| 354
| 354
| 503
| |||||
Версия: 2018-09-19-КВА
| Документ | Дата обновления |
| Паспорт на КР-Б4 | 20.09.2018 |