ARP-EPV
Доступен для скачивания
краткий каталог продукции:
Электропневматический пропорциональный регулятор давления ARP-EPV предназначен для дистанционного оперативного управления избыточным давлением сжатого воздуха в рабочей полости, которое с высокой точностью изменяется пропорционально входному электрическому сигналу.
Электропневматические пропорциональные регуляторы давления позволяют решать широкий круг задач, не требующих высоких расходных характеристик, но, в то же время, предъявляющих повышенные требования к точности управления давлением и быстроте реакции. Данные приборы используются, например, при сборке микросхем, лазерной резке и в процессе регулирования усилия исполнительных устройств систем автоматического управления.
Особенности:
- Может устанавливаться отдельно или в качестве модуля блока подготовки воздуха
- Четырехразрядный ЖК-дисплей с высотой символов 10 мм для индикации выходного давления
- Все порты оснащены фильтром грубой очистки
- Низкое энергопотребление
- В комплект входит кронштейн (2 типа на выбор) для крепления прибора на горизонтальную или вертикальную поверхность
- Для перехода на другие размеры резьбы используются футорки, например, VTr.581.N
Принцип действия:
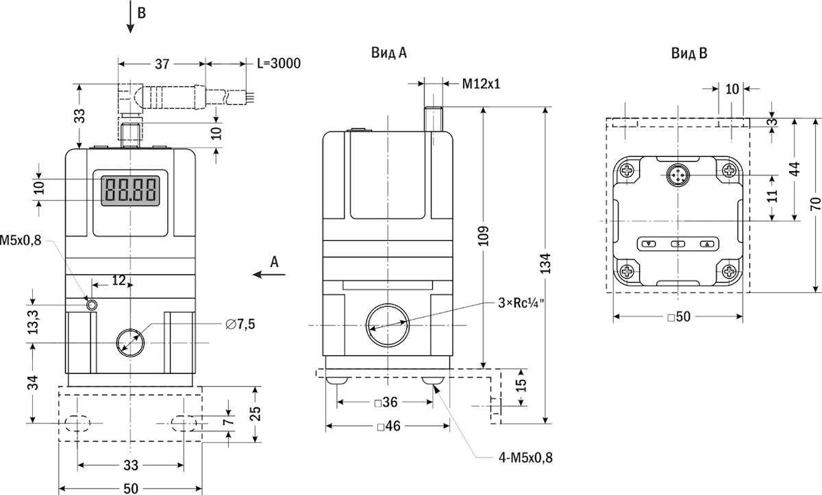
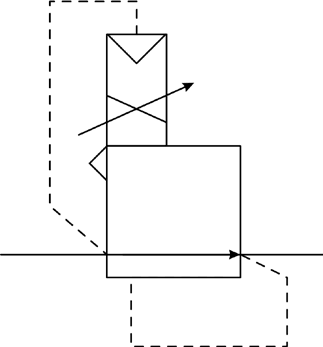
Силовая пневмомеханическая часть регулятора имеет три пронумерованных на корпусе отверстия (порта): 1 – подача сжатого воздуха, 2 – канал выхода воздуха в полость с регулируемым давлением, 3 – канал сброса избытка воздуха из регулируемой полости в атмосферу.
Цифровое табло индикации служит для отображения текущего давления, кода ошибки при неправильной работе регулятора, а также для контроля ввода параметров при его настройке. Для получения информации о текущем значении выходного давления используется находящийся в составе регулятора датчик давления. Значение выходного давления можно контролировать с помощью аналогового сигнала обратной связи в диапазоне =4...20 мА, =1...5 В или с помощью выходного сигнала NPN-типа.

| Параметр
| Значение | |||
| Рабочая среда
| Сжатый очищенный воздух | |||
| Мин. давление подаваемого воздуха
| Регулируемое давление + 0,1 МПа
| |||
| Макс. давление подаваемого воздуха
| 1,0 МПа
| |||
| Диапазон выходного давления
| 0,005...0,9 МПа
| |||
| Присоединение
| G¼"
| |||
| Питание
| Напряжение | =24 В
| ||
| Ток | =0,12 A | |||
| Температура окружающей среды
| 0...+50°С | |||
| Высота символов
| 10 мм | |||
| Класс пылевлагозащиты
| IP65 | |||
| Габариты
| 105×50×50 мм | |||
| Длина кабеля
| 3 м
| |||
| Вес | 384 г | |||
| Модель | Управляющий сигнал
| Сигнал обратной связи |
| ARP-EPV-IU
| =4…20 мА
| =1…5 В |
| ARP-EPV-IN
| =4…20 мА
| NPN |
| ARP-EPV-II
| =4…20 мА
| =4…20 мА |
| ARP-EPV-U5U | =0…5 В
| =1…5 В |
| ARP-EPV-U5N | =0…5 В
| NPN |
| ARP-EPV-U5I | =0…5 В
| =4…20 мА |
| ARP-EPV-U10U | =0…10 В
| =1…5 В |
| ARP-EPV-U10N | =0…10 В
| NPN |
| ARP-EPV-U10I | =0…10 В
| =4…20 мА |
| Пневматическая схема
|
![]() |
| Габаритные размеры
|
С кронштейном для крепления на вертикальную поверхность |
С кронштейном для крепления на горизонтальную поверхность |
Кронштейн для крепления на вертикальную поверхность |
Кронштейн для крепления на горизонтальную поверхность |
Версия: 2025-08-06-СДГ
| Документ | Дата обновления |
| Паспорт на ARP-EPV | 13.12.2023 |
