КПР-1 с электроприводом ЭПР2-WF
Доступен для скачивания
краткий каталог продукции:
Шаровые краны КПР-1 с электроприводом ЭПР2-WF предназначены для управления потоком рабочей среды в трубопроводе. Они широко применяются в различных отраслях промышленности, сельском хозяйстве, ЖКХ, в системах водоснабжения и водоочистки и т. д.
Особенности:
Особенности:
- Возможность применения крана для загрязненных и вязких сред
- Высокие показатели герметичности
- Отсутствие «застойных» зон и завихрений в корпусе
- Низкий уровень гидравлического сопротивления
- Устойчивость к механическим деформациям
- Простота конструкции и монтажа, обеспечивающие удобство в эксплуатации и обслуживании
- Управление электроприводом: ручное (кнопкой на корпусе) и по сети Wi-Fi (через приложение на смартфоне)
- Удаленное управление электроприводом, совместный доступ к устройству, синхронизация с системой «Умный дом»
- Автоматический режим работы: открытие/закрытие крана по заданному расписанию (день недели, время, степень открытия крана)
- Простое и понятное приложение под мобильные операционные системы iOS и Android для управления электроприводом
- Автоматическое закрытие крана при отсутствии питания
- Кабель для подключения USB-A в комплекте
Для защиты прибора от попадания инородных частиц необходима установка фильтра механической очистки перед входным отверстием крана
Для герметизации резьбовых/фланцевых металлических соединений рекомендуется использование анаэробных герметиков
Для герметизации резьбовых/фланцевых металлических соединений рекомендуется использование анаэробных герметиков
| Параметр | Значение | |
| Тип
| Шаровой полнопроходной
| |
| Рабочая среда | Пар, вода, горячая вода, воздух, инертные газы, масла | |
| Материал
| Корпус | Нержавеющая сталь
|
| Монтажное основание | Пластик (Ду=15...25) или нержавеющая сталь (Ду=32...50)
| |
| Уплотнения | PTFE | |
| Температура рабочей среды
| −55...+120°С | |
| Рабочее давление | Резьбовое G½"...G2" | |
| Ду | 15...50 мм | |
| Угол полного поворота | 90° (вращение в обоих направлениях) | |
| Стандарт присоединения крана к приводу | ISO5211 | |
| Модель электропривода | ЭПР2-WF | |
| Время полного поворота на 90° | 28...33 с | |
| Время полного закрытия при отключении питания | 29...35 с | |
| Крутящий момент | 10 Н∙м | |
| Степень пылевлагозащиты электропривода | IP65 | |
| Питание, пусковой ток | =5 В, 2 А | |
| Ток потребления | ≤ 200 мА | |
| Управление | Ручное, по Wi-Fi | |
| Длина кабеля | 2000 мм | |
Модификации:
| Модель | Ду, мм | Kv, м3/ч | Присоединение | Посадочный
размер, мм | Pmin, МПа | Pmax, МПа | Модель
привода | Вес крана с
приводом, г |
| КПР-1-015-GSP
| 15 | 20 | ½" | 9×9 |
0,0 |
1,6 |
ЭПР2-WF | 638 |
| КПР-1-020-GSP
| 20 | 38 | ¾" | 9×9 | 721 | |||
| КПР-1-025-GSP
| 25 | 69 | 1"
| 9×9 | 847 | |||
| КПР-1-032-GSP | 32 | 93 | 1¼" | 9×9 | 1266 | |||
| КПР-1-040-GSP | 40 | 144 | 1½" | 9×9 | 1465 | |||
| КПР-1-050-GSP | 50 | 229 | 2" | 9×9 | 1990 |
Расшифровка обозначения на примере крана КПР-1-015-XYZ:
КПР-1 – модель крана.
015 – диаметр условного прохода в мм.
X – присоединение: G – трубная резьба.
Y – материал корпуса: S – нержавеющая сталь.
Z – материал уплотнения: P – PTFE.
КПР-1 – модель крана.
015 – диаметр условного прохода в мм.
X – присоединение: G – трубная резьба.
Y – материал корпуса: S – нержавеющая сталь.
Z – материал уплотнения: P – PTFE.
Описание прибора:Электропривод ЭПР2-WF в сборе с краном КПР-1 обеспечивает поворот шара, перекрывающего проходящий через кран поток жидкости/газа. Управление электроприводом осуществляется непосредственно кнопкой на корпусе привода (только полное открытие/закрытие крана) или с помощью мобильного приложения по сети Wi-Fi (регулировка степени открытия/закрытия крана, задание расписания работы привода, тайминга, синхронизация с параметрами окружающей среды, сопряжение с устройствами с системой «Умный дом»). Мобильное приложение предусматривает удаленный и совместный доступ к управлению электроприводом.
Подробнее о подключении и управлении электроприводом см. руководство по экплуатации.
Подробнее о подключении и управлении электроприводом см. руководство по экплуатации.
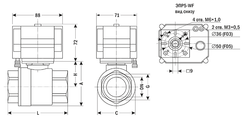
| Габаритные размеры |
|
| Модель
| DN
| G
| Размеры, мм
| |||||||
| A | C | H | L | |||||||
| КПР-1-015 GSP | 15 | ½" | 55 | 33 | 33 | 55
| ||||
| КПР-1-020 GSP | 20 | ¾" | 62 | 39 | 36 | 70
| ||||
| КПР-1-025 GSP | 25 | 1" | 68 | 45,5 | 39 | 73
| ||||
|
КПР-1-032 GSP
| 32 | 1¼" | 90 | 62 | 53 | 94 | ||||
|
КПР-1-040 GSP
| 40 | 1½" | 98 | 70 | 58 | 100 | ||||
|
КПР-1-050 GSP
| 50 | 2" | 113 | 85 | 64 | 117,5 | ||||
Версия: 2022-05-05-ЛВС
| Документ | Дата обновления |
| Паспорт на ЭПР5-WF | 16.02.2024 |
| Паспорт на КПР-1 без привода | 06.09.2023 |