Электропривод AR501 устанавливается на шаровые краны AR501-2, AR501-2S, AR501-2M и AR501-3 с целью управления потоком рабочей среды в трубопроводе
Особенности:
- Для установки на краны:
– AR501-2, AR501-2M – двухходовые из латуни;
– AR501-2S – двухходовые из нерж. стали;
– AR501-3 – трехходовые из латуни
- Схема управления с выключателем. Для автоматического управления в качестве выключателя К можно использовать любой прибор, который обеспечивает замыкание/размыкание, например терморегуляторы, термостаты и цифровые 1-2-канальные регуляторы.
Для ручного управления в качестве выключателя К можно использовать кнопки с фиксацией AR-XB2-BT, AR-XB2-BS, SD16-22ATA, антивандальные кнопки с фиксацией или переключатели на 2 положения SD16-V-22IR, SD16-V-22K, AR-XB2-BD, AR-XB2-BJ, AR-LA800E-BLSM, AR-XB2-BG
- Простота монтажа
- Долгий срок службы
Технические характеристики:
| Параметр | Значение |
| Время открытия/закрытия | 16 с |
| Угол поворота | 90° (вращение в обоих направлениях) |
| Крутящий момент | 5 Н∙м |
| Степень пылевлагозащиты | IP62 |
| Питание, ток, мощность | ~220 В, 50/60 Гц, 47 мА, 9 ВA |
| Схема подключения | 3-проводная с выключением одного контакта |
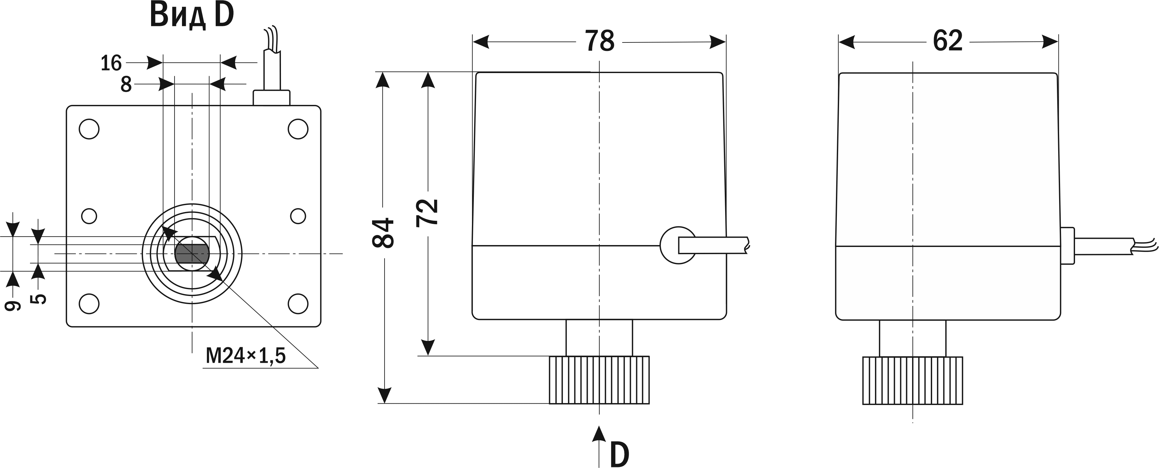
| Присоединение привода к крану | М24×1,5 |
| Длина кабеля | 310 мм |
| Габаритные размеры | 84×78×62 мм |
| Вес | 331 г |
Габаритные размеры
|
 |
Версия: 2024-04-23-ШАР