GV2-M
Доступен для скачивания
краткий каталог продукции:
Автомат GV2-M предназначен для управления и защиты трехфазных асинхронных двигателей от перегрузки, коротких замыканий и неполнофазных режимов работы
Особенности:
- Совмещение функций автомата защиты двигателя и ручного пускателя
- Термомагнитный тип расцепителя. Это комбинированный тип защиты, который включает в себя: тепловой (термический) расцепитель (для защиты от перегрузок, работающий на основе биметаллической пластины) и электромагнитный расцепитель (для мгновенной защиты от короткого замыкания)
- Ручная коммутация двигателей
- Возможность увеличения количества вспомогательных контактов. Дополнительный + аварийный (сигнальный) контакт AD устанавливается слева, возможна установка одного контакта. Дополнительный контакт AE устанавливается фронтально, возможна установка одного контакта
- Уставка срабатывания теплового расцепителя (уставка тока расцепления) – это величина тока в амперах. Как правило, ее выставляют равной номинальному току двигателя или близко к нему. Тепловой расцепитель разрывает цепь, как только сила тока в ней достигает 1,13 величины тока уставки, что воспринимается прибором как перегрузка
- Кнопка «Тест»
Области применения:
- Защита 3-фазных асинхронных двигателей в промышленности
- Системы вентиляции и кондиционирования
- Насосное оборудование
- Компрессорное оборудование
- Конвейерные системы
- Станочное оборудование
- Подъемно-транспортное оборудование
Технические характеристики:
| Параметр | Значение |
| Количество полюсов
| 3
|
| Номинальный ток
| 0,63...32 А |
| Номинальное рабочее напряжение | 690 В |
| Номинальная частота | 50...60 Гц |
| Номинальное импульсное выдерживаемое напряжение | 6 кВ |
| Коммутационное перенапряжение | < 8 кВ |
| Номинальная предельная отключающая способность (Icu) при 400 В | 100 кА |
| Номинальная рабочая отключающая способность (Ics) при 400 В | 100 кА (ток 0,63...10 А)
7,5 кА (ток 14...32 А) |
| Тип расцепителя | Термомагнитный |
| Управление | Кнопками |
| Категория применения | AC-3 |
| Электрическая износостойкость | > 105 циклов |
| Механическая износостойкость | > 105 циклов |
| Степень пылевлагозащиты | IP20 |
| Температура хранения | –40...+80ºC |
| Температура эксплуатации | –20...+60ºC |
| Монтаж | На DIN-рейку |
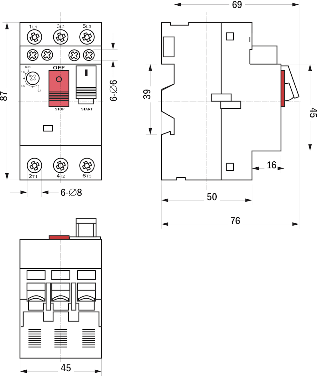
| Габаритные размеры | 87×45×76 мм |
| Вес | 250 г |
Модификации:
| Модель
| Диапазон настроек
уставки тока расцепления, А | Номинальный ток, А
| Электромагнитный ток срабатывания, А
| Номинальная мощность
двигателя при 400 В, кВт |
| GV2-M04C | 0,4...0,63 | 0,63 | 8 | − |
| GV2-M06C | 1...1,6 | 1,6 | 22,5 | 0,37 |
| GV2-M07C | 1,6...2,5 | 2,5 | 33,5 | 0,75 |
| GV2-M08C
| 2,5...4
| 4 | 51 | 1,5 |
| GV2-M10C | 4...6,3 | 6,3 | 78 | 2,2 |
| GV2-M14C | 6...10 | 10 | 138 | 4 |
| GV2-M16C | 9...14 | 14 | 170 | 5,5 |
| GV2-M20C
| 13...18
| 18 | 223 | 7,5 |
| GV2-M21C | 17...23 | 23 | 327 | 11 |
| GV2-M22C | 20...25 | 25 | 327 | 11 |
| GV2-M32C | 24...32 | 32 | 416 | 15 |
| Габаритные размеры |
![]() |
Версия: 2025-06-09-СДГ
| Документ | Дата обновления |
| Паспорт на GV2-M | 30.06.2025 |
