ARCOM-HM-28A
Доступен для скачивания
краткий каталог продукции:
Счетчик времени наработки (счетчик моточасов) ARCOM-HM-28A предназначен для учета времени наработки машин и механизмов
Особенности:
Версия: 2025-12-14-СДГ
Особенности:
- Сохранение значения времени наработки в памяти прибора при отключении питания
- Счет времени наработки при поданном на прибор питании
- Компактный размер
- Ламели для подключения в комплекте
| Параметр | Значение | |
| ЖК-дисплей | 8 разрядов | |
| Диапазон времени наработки | 0…999 999 ч 59 мин (~ 114 лет) | |
| Погрешность
| ±0,01%
| |
| Питание
| ≅12…36 или ~100…250 В | |
| Потребляемая мощность | ≤ 0,3 Вт
| |
| Температура эксплуатации
| −10…+75°С
| |
| Высота символов | 7 мм | |
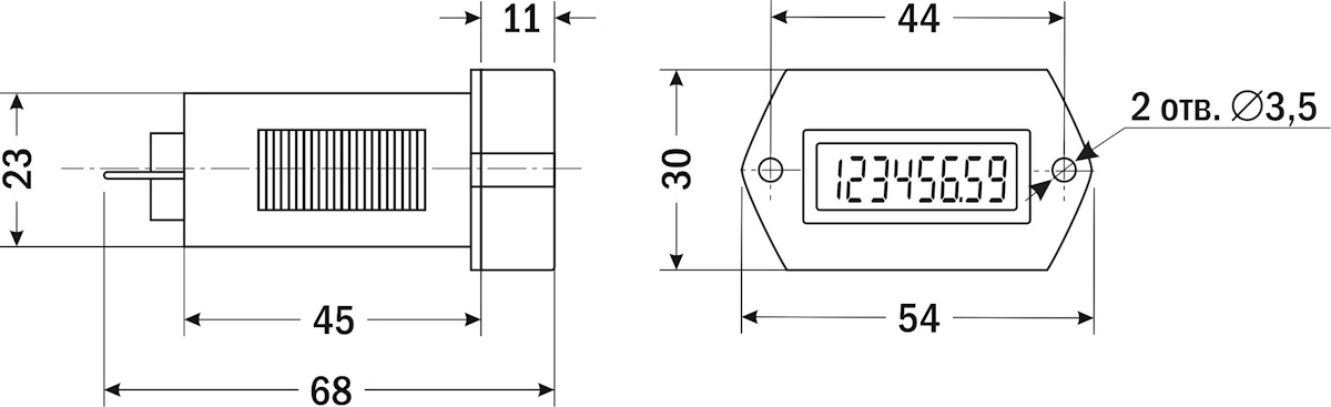
| Габаритные размеры
| 30×54×68 мм
| |
| Размер монтажного отверстия | 23×36 мм | |
| Вес | 39 г
| |
| Габаритные размеры |
![]() |
| Документ | Дата обновления |
| Паспорт на ARCOM-HM-28A | 24.12.2025 |
